Install The App

For optimal viewing, install this app by using your browser’s Save to Home Screen feature.

Skip to Content
Color Scheme
Display Options

6' × 6' semi-private closed picket

2" × 3½"

Hollow Rail

⅞" × 1 ½"

Pickets

5" × 5"

Post

KeyQTYItem KeyDescription
A2C55PRYA5" × 5" Pyramid Cap
B2F10C5" × 5" × 72" Standard Post
C3F24E2" × 3 ½" × 72" Hollow Rail
D40F42S1 ½" × 1 ½" × 44" Pickets
E11G24PA28872" Aluminum P-Channel Rail Insert In Bottom Rail
Prior to installation, consult your local building department to address applicable building codes.
Please refer to the appropriate guideline documents available on this app for proper installation.

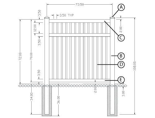
6' × 6' semi-private closed picket

2" × 3½"

Hollow Rail

⅞" × 1 ½"

Pickets

5" × 5"

Post

KeyQTYItem KeyDescription
A2C55PRYA5" × 5" Pyramid Cap
B2F10C5" × 5" × 108" Standard Post
C3F24E2" × 3 ½" × 72" Hollow Rail
D13F65S⅞" × 1 ½" × 67 ½" Pickets
E11G24PA28872" Aluminum P-Channel Rail Insert In Bottom Rail
Prior to installation, consult your local building department to address applicable building codes.
Please refer to the appropriate guideline documents available on this app for proper installation.

4' × 6' closed picket

2" × 3½"

Hollow Rail

⅞" × 3"

Pickets

4" × 4"

Post

#HVP-24

KeyQTYItem KeyDescription
A2C44PRYA4" × 4" Pyramid Cap
B2F12N4" × 4" × 72" Standard Post
C2F24E2" × 3 ½" × 72" Hollow Rail
D11F57C⅞" × 3" × 44" Pickets
E11G24PA28872" Aluminum P-Channel Rail Insert In Bottom Rail
Prior to installation, consult your local building department to address applicable building codes.
Please refer to the appropriate guideline documents available on this app for proper installation.

6' × 6' semi-private closed picket

2" × 3½"

Hollow Rail

⅞" × 1 ½"

Pickets

5" × 5"

Post

#08212018

KeyQTYItem KeyDescription
A2C55PRYA5" × 5" Pyramid Cap
B2F10C5" × 5" × 96" Standard Post
C3F24E2" × 3 ½" × 72" Hollow Rail
D40F42S1 ½" × 1 ½" × 44" Pickets
E11G24PA28872" Aluminum P-Channel Rail Insert In Bottom Rail
Prior to installation, consult your local building department to address applicable building codes.
Please refer to the appropriate guideline documents available on this app for proper installation.

6' × 6' High closed picket

2" × 3½"

Hollow Rail

⅞" × 1 ½"

Pickets

5" × 5"

Post

#HVP-21

KeyQTYItem KeyDescription
A2C55PRYA5" × 5" Pyramid Cap
B2F10C5" × 5" × 108" Standard Post
C3F24E2" × 3 ½" × 72" Hollow Rail
D13F65S⅞" × 1 ½" × 67 ½" Pickets
E11G24PA28872" Aluminum P-Channel Rail Insert In Bottom Rail
Prior to installation, consult your local building department to address applicable building codes.
Please refer to the appropriate guideline documents available on this app for proper installation.