Drawing

Nexus 2
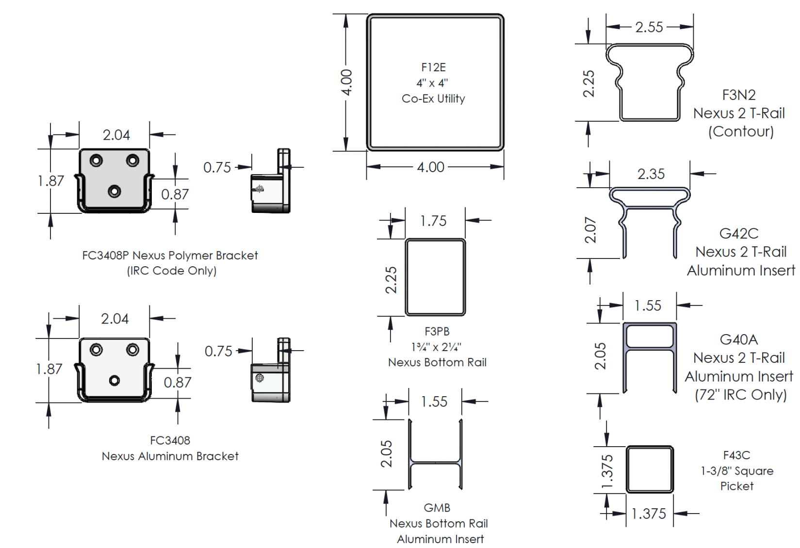
| QTY | Item Key | Description |
|---|---|---|
| 2 | F12E | 4" × 4" Co-Ex Utility Post |
| 1 | F3N2 | Nexus 2 T-Rail (Contour) |
| 1 | F3PB | 1¾" × 2¼" Nexus Bottom Rail |
| 19 | F43C | 1⅜" Co-Ex Standard Picket |
| 1 | FC3408 | Nexus Aluminum Mounting Bracket Kit (4 Brackets w/ screws) |
| 1 | FC3408P | Nexus Polymer Mounting Bracket Kit (4 Brackets w/ screws) |
| 2 | FC317 | Nexus 2 T-Rail (Contour) Bracket Top Cover Clip |
| 2 | FC3410 | Nexus 1¾" × 2¼" Bottom Cover Clip |
| 1 | G42C | Nexus 2 T-Rail (Contour) Aluminum Insert |
| 1 | G40A | Nexus 2 T-Rail (Contour) "A" Aluminum Insert (72" IRC) |
| 1 | GMB | Nexus Bottom Aluminum Insert |
| 1 | RF138 | Adjustable Rail Foot |
Please refer to the appropriate guideline documents available on this app for proper installation.
Detail

